Редукторы
Мотор редукторы
Частотные преобразователи
Промышленные вентиляторы
Электротали
Крановые электродвигатели
Основные сведения об изделии и технические данные
Редукторы цилиндрические трехступенчатые вертикальные с эвольвентными зубчатыми передачами 2Ц3вк(ф)-100, 2Ц3вк(ф)-125, 2Ц3вк(ф)-160 (3Ц3вк(ф)-160), В-200 (3Ц3вк(ф)-200), В-250 (3Ц3вк(ф)-250) предназначены для изменения крутящих моментов и уменьшения числа оборотов в приводах различных машин и механизмов, работающих в повторно-кратковременном режиме.
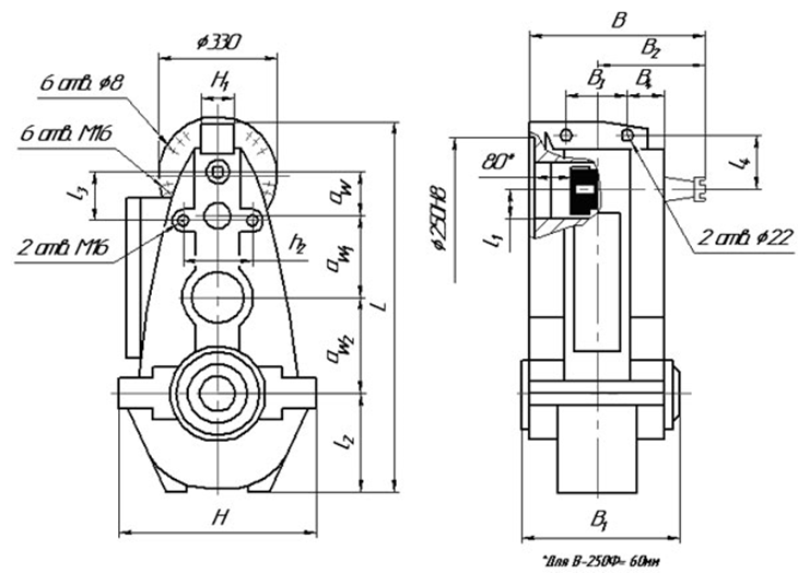
Редукторы всех вариантов сборки выполняются с полым тихоходным валом: а) шлицевым, при этом шлицы выполняются эвольвентными и в двух исполнениях: Исполнение 1 – аналог производства Чехии; Исполнение 2 – аналог производства Санкт-Петербурга;
б) со шпоночным пазом.
- работа в повторно-кратковременных режимах, т.е. при переменных нагрузках с периодическими остановками, нагрузка одного направления и реверсивная;
- вращение валов в любую сторону;
- неагрессивная среда, атмосфера типов I и II по ГОСТ 15150 при запыленности воздуха не более 10 мг/м3;
- климатические исполнения – У1, У2, У3, УХЛ-4, Т1, Т2, Т3 и О4 по ГОСТ 15150.


2. Основные технические данные
1. Технические характеристики редукторов при длительной работе м постоянной и переменной по величине нагрузкой в реверсивном режиме работы, температуре окружающего воздуха в пределах 15 – 250С приведены в таблицах.
2. Номинальная частота вращения быстроходного вала 25 (1500)с-1 (об/мин).
3. Редукторы допускают кратковременные перегрузки по отношению к моментам, приведенным в таблицах, если общее время действия этих перегрузок не превышает 250 часов.
При этом коэффициент, характеризующий максимально допустимую кратковременную перегрузочную способность редукторов, составляет:
- для редукторов 2Ц3вк(ф)-100; 125; 160 – 2,8;
- для редукторов В-200; 250 (3Ц3вк(ф)-200; 250) – 2,5.
4. Для двухконцевого исполнения быстроходного вала допускаемая радиальная консольная нагрузка должна быть снижена на 50%.
5. Фактические передаточные отношения редукторов не отличаются от номинальных более чем на 5%.
3. Основные технические данные
Таблица 1

Таблица 2

Таблица 3

Примечание: Редуктор 2Ц3вк(ф)-160 изготавливается в неразъемном корпусе.
Редуктор 3Ц3вк(ф)-160 изготавливается в разъемном корпусе.
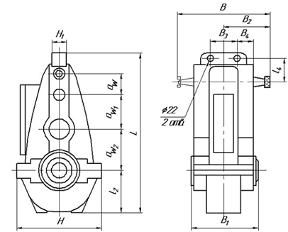
Таблица 4


|
Тип |
L |
l1 |
l2 |
l3 |
l4 |
Н |
H1 |
h2 |
B |
B1 |
B2 |
B3 |
B4 |
aw |
aw1 |
aw2 |
|
редукторы 3Ц3ВК-200, 3Ц3ВК-200Ф |
825 |
50 |
190 |
- |
130 |
450 |
70 |
- |
420/327 |
277 |
210 |
100 |
67 |
125 |
160 |
200 |
|
редукторы 3Ц3ВК-250, 3Ц3ВК-250Ф |
1015 |
65 |
240 |
163 |
137,5 |
552 |
80 |
200 |
480/379 |
322 |
240 |
120 |
79 |
160 |
200 |
250 |


|
Тип |
D2 |
d2 |
m |
z |
1 |
l1 |
b |
|
редуктор 3Ц3ВК-100Ф |
230Н8 |
125 |
2,5 |
20 |
67 |
5 |
12 |
|
редуктор 3Ц3ВК-125Ф |
230Н8 |
125 |
2,5 |
20 |
67 |
5 |
12 |
|
редуктор 3Ц3ВК-160Ф |
250Н8* |
110 |
2,5 |
20 |
100 |
5 |
12 |
|
редуктор 3Ц3ВК -200Ф |
250Н8 |
80 |
2,5 |
30 |
80 |
6 |
12 |
|
редуктор 3Ц3ВК-250Ф |
250Н8 |
100 |
2,5 |
38 |
60 |
6 |
15 |


В современной промышленности, где точность, надежность и эффективность являются ключевыми факторами успеха, выбор правильного оборудования играет решающую роль. Среди множества компонентов, обеспечивающих бесперебойную работу механизмов, особое место занимают редукторы – устройства, предназначенные для изменения угловой скорости и крутящего момента. В данной статье мы рассмотрим популярные и востребованные серии редукторов: Ц3ВК(Ф)-100, Ц3ВК(Ф)-125, Ц3ВК(Ф)-160 и В-125, В-160, В-200, В-250.
Прежде чем углубиться в особенности конкретных моделей, напомним основные принципы работы редукторов. Их главная задача – преобразование высокой угловой скорости входного вала в более низкую угловую скорость выходного вала, одновременно увеличивая крутящий момент. Это достигается за счет использования зубчатых передач с различным количеством зубьев.
Редукторы серии Ц3ВК(Ф) – это трехступенчатые вертикальные цилиндрические редукторы, предназначенные для работы в приводах различных машин и механизмов. Буква "Ф" в названии указывает на наличие фланцевого исполнения, что обеспечивает удобство монтажа и интеграции в существующие системы.
Основные характеристики и преимущества Ц3ВК(Ф):
Редукторы серии В – это также вертикальные цилиндрические редукторы, но, как правило, они имеют двухступенчатую или трехступенчатую конструкцию, в зависимости от конкретной модели и требуемого передаточного числа. Они являются надежным и проверенным решением для широкого спектра промышленных задач.
Основные характеристики и преимущества В-серии:
При выборе редуктора из серий Ц3ВК(Ф) или В необходимо учитывать ряд важных факторов: