Редукторы
Мотор редукторы
Частотные преобразователи
Промышленные вентиляторы
Электротали
Крановые электродвигатели
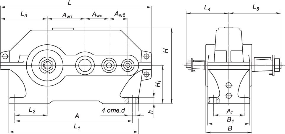
2.1 Редукторы цилиндрические трехступенчатые горизонтальные узкие общемашиностроительного применения типоразмеров 1Ц3У-160, 1Ц3У-200, 1Ц3У-250 служат для увеличения крутящих моментов и уменьшения частоты вращения.
2.2 Редукторы применяются в следующих условиях:

|
Редуктор |
Aw т |
Aw п |
Aw б |
A |
A1 |
B |
B1 |
H |
H1 |
h |
L |
L1 |
L2 |
L3 |
L4 |
L5 |
d |
|
1Ц3У-160 |
160 |
100 |
80 |
475 |
140 |
206 |
195 |
345 |
170 |
32 |
630 |
530 |
135 |
195 |
160 |
224 |
24 |
|
1Ц3У-200 |
200 |
125 |
100 |
580 |
165 |
243 |
230 |
425 |
212 |
36 |
775 |
650 |
165 |
236 |
190 |
280 |
|
|
1Ц3У-250 |
250 |
160 |
125 |
750 |
218 |
290 |
280 |
530 |
265 |
950 |
825 |
212 |
290 |
236 |
335 |
28 |

|
Редуктор |
входной вал |
выходной вал |
||||||||||
|
d |
d 1 |
l |
l1 |
b |
t |
d |
d1 |
l |
l1 |
b |
t |
|
|
1Ц3У-160 |
20 |
М12х1,25 |
50 |
36 |
4 |
10,6 |
55 |
М36х3 |
110 |
82 |
14 |
28,95 |
|
1Ц3У-200 |
25 |
М16х1,5 |
60 |
42 |
5 |
13,45 |
70 |
М48х3 |
140 |
105 |
18 |
36,38 |
|
1Ц3У-250 |
30 |
М20х1,5 |
80 |
58 |
15,55 |
90 |
М64х4 |
170 |
130 |
22 |
46,75 |
|

|
Редуктор |
входной вал |
выходной вал |
||||||
|
d |
l |
b |
t |
d |
l |
b |
t |
|
|
1Ц3У-160 |
18k6 |
36 |
6 |
20,5 |
50m6 |
105 |
14 |
53,5 |
|
1Ц3У-200 |
22k6 |
42 |
24,5 |
65m6 |
18 |
69 |
||
|
1Ц3У-250 |
25k6 |
58 |
8 |
28 |
85m6 |
170 |
22 |
90 |

|
Редуктор |
b |
d |
d1 |
d2 |
d3 |
L |
l |
l1 |
Зацепление |
|
|
m |
z |
|||||||||
|
1Ц3У-160 |
20 |
168 |
90 |
72F8 |
95 |
170 |
9 |
38 |
4 |
40 |
|
1Ц3У-200 |
25 |
210 |
100 |
80F8 |
105 |
197 |
10 |
50 |
5 |
|
|
1Ц3У-250 |
30 |
232 |
150 |
120F8 |
170 |
236 |
4 |
56 |
||
Размеры полого вала

Устройство и принцип работы
Редуктор состоит из трехступенчатой косозубой цилиндрической передачи, установленной в литой чугунный (алюминиевый) корпус, состоящий из двух частей: корпуса и крышки. Косозубые цилиндрические колеса и валы имеют шпоночные соединения. Подшипники качения зажаты в расточках корпуса и крышки. Плоскость разъема проходит по осям вращения валов. Подшипниковые узлы зафиксированы и закрыты торцевыми крышками с уплотнениями. Уплотнения выходных концов валов могут быть резиновыми (манжеты) или лабиринтнымиСмазка зубчатого зацепления и подшипников осуществляется разбрызгиванием масла колесами из масляной ванны редуктора. Масло заливается в редуктор через отверстие, закрытое пробкой. Слив отработанного масла - через сливное отверстие, закрытое пробкой. Пробки окрашены в контрастный (по отношению к редуктору) цвет. Для контроля уровня масла служит отверстие, расположенное выше сливного отверстия.
Если вашему производству требуется надежное и эффективное решение для передачи вращательного движения, обратите внимание на трехступенчатые цилиндрические редукторы 1Ц3У. Эти универсальные агрегаты, разработанные для общемашиностроительного применения, станут незаменимыми помощниками в самых разных отраслях.
Что делает редукторы 1Ц3У особенными?
Доступные типоразмеры для ваших нужд:
Мы предлагаем редукторы 1Ц3У в трех популярных типоразмерах, чтобы вы могли подобрать оптимальное решение для конкретных требований:
Преимущества использования редукторов 1Ц3У:
Если вы ищете надежное, эффективное и универсальное решение для передачи вращательного движения, трехступенчатые цилиндрические редукторы 1Ц3У – это то, что вам нужно. Свяжитесь с нами, чтобы получить подробную консультацию и подобрать оптимальный типоразмер для вашего производства!