Редукторы
Мотор редукторы
Частотные преобразователи
Промышленные вентиляторы
Электротали
Крановые электродвигатели
Назначение.
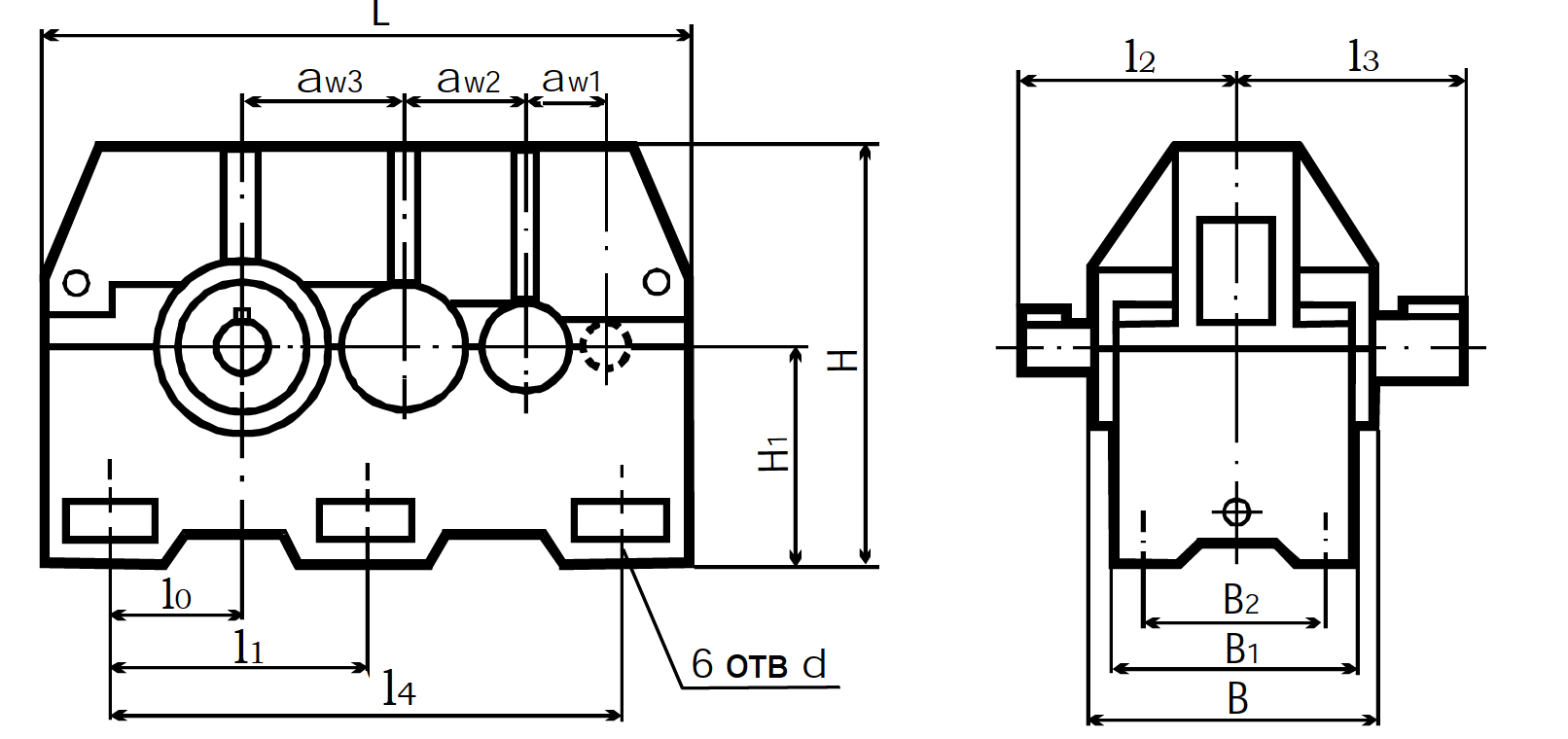
Редукторы цилиндрические горизонтальные с передачами Новикова серий Ц3У-315, Ц3У-355, Ц3У-400, Ц3Н-500 являются приводами общего назначения и предназначены для увеличения крутящего момента и уменьшения частоты вращения различных машин и механизмов.
Условия применения: - нагрузка постоянная и переменная в пределах номинального крутящего момента, одного направления и реверсивная; - работа длительная (до 24 ч. в сутки) или с периодическими остановками; - вращение валов в любую сторону без предпочтительности, частота вращения входного вала до 1500 об/мин; - атмосфера типа I и II по ГОСТ 15150-69 при запыленности воздуха не более 10 мг/м3; - климатические исполнения - У1, У2, УЗ, УХЛ4, Т1,Т2, ТЗ и О4 по ГОСТ 15150 - 69.
Варианты сборки редукторов Ц3У-315, Ц3У-355, Ц3У-400, Ц3Н-500


| Типоразмер | aw1 | aw2 | aw3 | L | l0 | l1 | l2 | l3 | l4 | B | B1 | B2 | H | H1 | d |
| Ц3У-315 | 125 | 200 | 315 | 1130 | 215 | 415 | 270 | 420 | 830 | 395 | 340 | 260 | 685 | 335 | 28 |
| Ц3У-355 | 140 | 255 | 355 | 1255 | 250 | 475 | 290 | 440 | 950 | 435 | 355 | 280 | 740 | 375 | 28 |
| Ц3У-400 | 160 | 250 | 400 | 1410 | 280 | 535 | 340 | 500 | 1070 | 475 | 420 | 330 | 835 | 425 | 35 |
| Ц3Н-500 | 225 | 315 | 500 | 1780 | 360 | 670 | 460 | 690 | 1340 | 700 | 580 | 650 | 1055 | 530 | 42 |

| Типоразмер | d | t | b | l |
| Выходной вал | ||||
| Ц3У-315 | 110m6 | 116 | 28 | 210 |
| Ц3У-355 | 125m6 | 132 | 32 | 210 |
| Ц3У-400 | 140m6 | 148 | 36 | 250 |
| Ц3Н-500 | 180m6 | 190 | 45 | 300 |
| Входной вал | ||||
| Ц3У-315 | 30к6 | 33 | 8 | 80 |
| Ц3У-355 | 35к6 | 38 | 10 | 80 |
| Ц3У-400 | 40к6 | 43 | 12 | 110 |
| Ц3У-500 | 55к6 | 59 | 16 | 110 |
Надежные помощники в промышленности: Цилиндрические редукторы серий Ц3У и Ц3Н
Если вам нужна проверенная временем и мощная техника для снижения оборотов и увеличения крутящего момента в различных производственных процессах, обратите внимание на цилиндрические редукторы серий Ц3У и Ц3Н. Эти редукторы зарекомендовали себя как надежные и эффективные решения для широкого спектра задач.
Серия Ц3У: Универсальность и производительность
Редукторы Ц3У-315, Ц3У-355 и Ц3У-400 представляют собой трехступенчатые цилиндрические редукторы, которые отлично подходят для тех случаев, когда требуется значительное снижение частоты вращения при сохранении высокой передаваемой мощности.
Эти редукторы отличаются высокой степенью надежности, долговечностью и эффективностью преобразования энергии. Они широко применяются в машиностроении, металлургии, горнодобывающей промышленности, энергетике и других отраслях.
Ц3Н-500: Мощь для самых ответственных задач
Редуктор Ц3Н-500 – это двухступенчатый цилиндрический редуктор, разработанный для работы в условиях экстремальных нагрузок. Его конструкция обеспечивает максимальную передачу крутящего момента и высокую надежность даже при самых интенсивных режимах эксплуатации.
Почему стоит выбрать редукторы Ц3У и Ц3Н?
Если вам требуется надежное и мощное решение для снижения оборотов и увеличения крутящего момента, редукторы серий Ц3У и Ц3Н станут вашим верным выбором. Они готовы к работе и обеспечат бесперебойное функционирование вашего оборудования.