Редукторы
Мотор редукторы
Частотные преобразователи
Промышленные вентиляторы
Электротали
Крановые электродвигатели
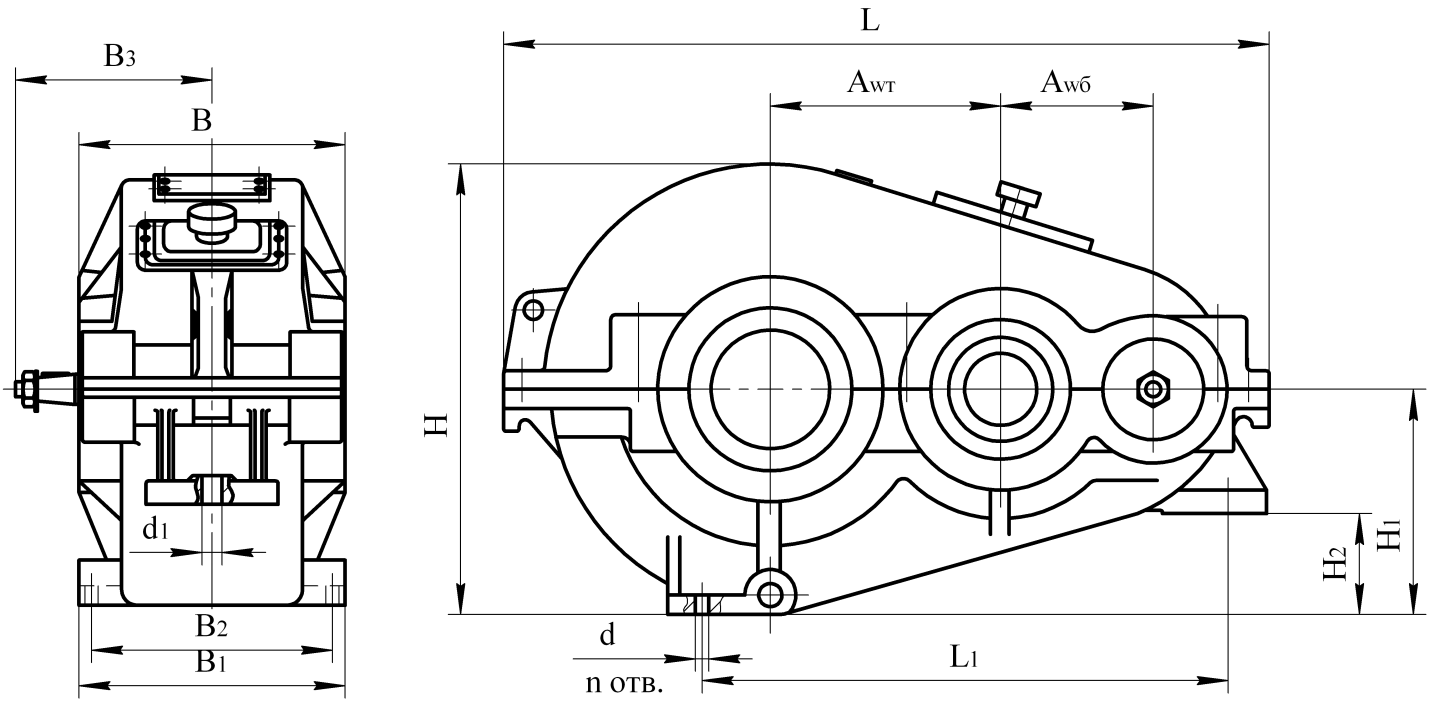
Редукторы цилиндрические двухступенчатые горизонтальные, специальные крановые, общемашиностроительного применения типоразмеров Р-400, Р-500 (аналог ГПШ-400, ГПШ-500), являются приводами механизмов передвижения кранов, предназначены для изменения крутящих моментов и частоты вращения. Редукторы применяются в следующих условиях: нагрузка постоянная и переменная, одного направления и реверсивная; работа длительная или с периодическими остановками; вращение валов в любую сторону;частота вращения входного вала не должна превышать 1500 об/мин.; атмосфера типов I и II по ГОСТ 15150-69 при запыленности воздуха не более 10 мг/м3;климатические исполнения; У, Т для категорий размещения 1-2 по ГОСТ 15150-69; климатические исполнения УХЛ для категорий размещения 2 по ГОСТ 15150-69.

|
Тип |
Аwт |
Аwб |
L |
L1 |
B |
B1 |
B2 |
B3 |
H |
H1 |
H2 |
d |
d1 |
n |
|
|
ГПШ-400 |
250 |
150 |
826 |
700 |
310 |
310 |
270 |
270 |
480 |
240 |
80 |
17 |
26 |
2 |
|
|
ГПШ-500 |
300 |
200 |
986 |
718 |
350 |
350 |
310 |
285 |
577 |
290 |
130 |
17 |
26 |
2 |
|
|
Масса |
Р-400 ( |
Р-500 ( |
|||||||||||||
Размеры входного вала редукторов ГПШ-400 и ГПШ-500


|
Тип |
d |
l |
l1 |
l2 |
шлицы по ГОСТ 1139-80 |
|
ГПШ-400 |
115 |
320 |
80 |
20 |
10х102х112 |
|
ГПШ-500 |
115 |
360 |
80 |
25 |
10х102х112 |
Варианты сборки

Редукторы ГПШ-500 и ГПШ-400: Надежные помощники в механических системах
Если вы сталкивались с необходимостью снизить скорость вращения вала или увеличить крутящий момент в различных механизмах, то, скорее всего, вам встречались редукторы. Среди множества моделей особое место занимают редукторы серии ГПШ, в частности, ГПШ-500 и ГПШ-400. Эти устройства зарекомендовали себя как надежные и эффективные компоненты для широкого спектра применений.
Что такое редуктор ГПШ?
ГПШ расшифровывается как "Гипоидный планетарный шевронный". Это означает, что в конструкции редуктора используются гипоидные шестерни, планетарная передача и шевронные зубчатые колеса. Такое сочетание позволяет добиться высокой передаточной способности, компактности и плавности работы.
Основные характеристики и преимущества ГПШ-500 и ГПШ-400:
Отличия между ГПШ-500 и ГПШ-400:
Основное различие между моделями ГПШ-500 и ГПШ-400 заключается в их номинальной мощности и крутящем моменте.
При выборе редуктора ГПШ-500 или ГПШ-400 важно учитывать:
В итоге, редукторы ГПШ-500 и ГПШ-400 представляют собой проверенные временем и надежные решения для задач, требующих точного и эффективного управления скоростью и крутящим моментом. Их универсальность и долговечность делают их ценным компонентом для множества промышленных и технических применений.