Редукторы
Мотор редукторы
Частотные преобразователи
Промышленные вентиляторы
Электротали
Крановые электродвигатели
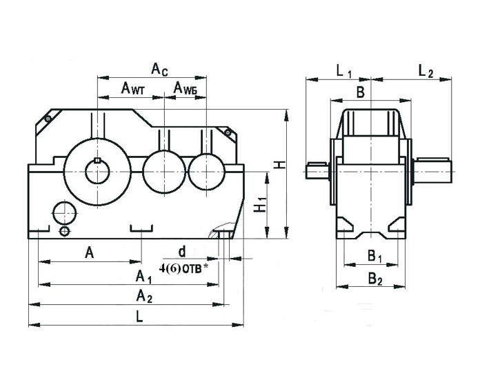
Редукторы цилиндрические двухступенчатые горизонтальные общемашиностроительного применения типоразмеров ЦДН-630 и ЦДН-710 служат для увеличения крутящих моментов и уменьшения частоты вращения.
Редукторы применяются в следующих условиях:

| Типоразмер редуктора | Размеры, мм | Масса, кг | ||||||||||||||
| Ac | Awб | Awт | A | A1 | A2 | B | B1 | B2 | H | H1 | L | L1 | L2 | d | ||
| ЦДН-630 | 1030 | 400 | 630 | 970 | 1770 | 1920 | 760 | 540 | 650 | 1220 | 630 | 1960 | 610 | 760 | 52 | 3961 |
| ЦДН-710 | 1160 | 450 | 710 | 1060 | 2010 | 2160 | 780 | 600 | 740 | 1400 | 710 | 2250 | 660 | 870 | 52 | 4750 |

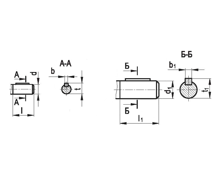
| Размер, мм | l1 | d | t | b | |
| Входной вал | ЦДН-630 | 170 | 80/110 | 85/116 | 22/28 |
| ЦДН-710 | 170 | 100/125 | 106/132 | 28/32 | |
| Выходной вал | ЦДН-630 | 360 | 220 | 231 | 50 |
| ЦДН-710 | 410 | 250 | 262 | 56 | |
Редукторы цилиндрические ЦДН-630 и ЦДН-710 представляют собой надежные механические устройства, предназначенные для передачи и преобразования крутящего момента в различных промышленных установках. Эти редукторы широко применяются в машиностроении, металлургии, горнодобывающей и других отраслях, где требуется устойчивое и эффективное снижение скорости вращения с одновременным увеличением крутящего момента.
Модель ЦДН-630 характеризуется высокой прочностью и долговечностью, что достигается за счет использования качественных материалов и точной механической обработки зубчатых колес. Она способна работать при значительных нагрузках и обеспечивает плавную передачу мощности, минимизируя вибрации и шумы.
Редуктор ЦДН-710 отличается увеличенными габаритами и повышенной мощностью, что делает его оптимальным выбором для тяжелых промышленных условий. Благодаря усовершенствованной конструкции и улучшенной системе смазки, данный редуктор демонстрирует высокую надежность и сниженный износ деталей, что значительно увеличивает срок его службы.
Оба типа редукторов имеют модульную конструкцию, что облегчает их монтаж, техническое обслуживание и ремонт. Они могут комплектоваться различными вариантами входных и выходных валов, что позволяет адаптировать редукторы под конкретные требования производства.
В целом, цилиндрические редукторы ЦДН-630 и ЦДН-710 являются эффективным решением для задач, связанных с передачей механической энергии, обеспечивая стабильную работу оборудования и повышая общую производительность промышленных процессов.