Редукторы
Мотор редукторы
Частотные преобразователи
Промышленные вентиляторы
Электротали
Крановые электродвигатели
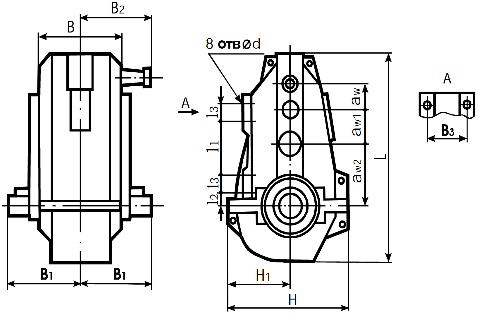
Редукторы цилиндрические трехступенчатые вертикальные специальные крановые. Тип ВКУ-610, ВКУ-765, ВКУ-965
Назначение.
Специальные крановые цилиндрические трехступенчатые редукторы типа ВКУ предназначены для использования в приводах механизмов передвижения грузоподъемных кранов и для увеличения крутящего момента и уменьшения частоты вращения различных машин и механизмов.
Условия применения: - вращение валов в обе стороны; - работа с периодическими остановками; - атмосфера типа I и II по ГОСТ 15150-69 при запыленности воздуха не более 10 мг/м3; - скорость вращения быстроходного вала не более 1000 об/мин; - эксплуатация в макроклиматических районах с умеренным (У) климатом, категории размещения 2 по ГОСТ I5150-69.

|
Тип |
L |
11 |
12 |
1з |
H |
H1 |
B |
B1 |
B2 |
Вз |
aw |
aw1 |
aw2 |
d |
|
ВКУ-610 |
1000 |
355 |
70 |
70 |
587 |
287 |
365 |
355 |
325 |
305 |
160 |
200 |
250 |
17 |
|
ВКУ-765 |
1220 |
385 |
100 |
110 |
689 |
334 |
445 |
440 |
370 |
385 |
200 |
250 |
315 |
26 |
|
ВКУ-965 |
1565 |
520 |
125 |
120 |
865 |
430 |
560 |
530 495* |
450 |
540 |
250 |
315 |
400 |
33 |

|
Тип |
d |
l |
11 |
b |
t |
|
ВКУ-610 |
40 |
110 |
85 |
10 |
36,9 |
|
ВКУ-765 |
50 |
110 |
85 |
12 |
46,9 |
|
ВКУ-965 |
65 |
140 |
108 |
16 |
63,75 |

|
Тип |
d s6 |
l |
b |
t |
|
ВКУ-610 |
80 |
130 |
22 |
88 |
|
ВКУ-765 |
125 |
165 |
32 |
136 |
|
ВКУ-965 |
125 |
165 |
32 |
136 |
|
ВКУ-965* |
140 |
200 |
36 |
152 |
|
тип |
Номинальное передаточное число |
Допускаемая консольная нагрузка на выходном валу, Н |
Номинальный крутящий момент на выходном валу, Нм |
Частота вращения входного вала, об/мин |
кпд |
Масса, кг |
|
ВКУ -610 |
14; 16; 18; 20; 22,4; 25; 28; 31,5; 40; 45; 50; 56; 63; 71; 80; 90; 100;112; 125;140 |
10880.23460 |
1850. 8600 |
600;750; 1000 |
0,97 |
450 |
|
ВКУ -765 |
21390.30880 |
7150. 14900 |
820 |
|||
|
ВКУ -965 |
29610.42480 |
13700.28200 |
1530 |
Надежные помощники для ваших кранов: Специальные крановые редукторы ВКУ-610, ВКУ-765, ВКУ-965
Когда речь заходит о мощных и надежных крановых установках, каждая деталь имеет значение. Особое место в этой сложной системе занимают редукторы, которые отвечают за точное и плавное управление движением грузоподъемных механизмов. Если вы ищете проверенные решения для своих кранов, обратите внимание на специальные крановые редукторы серии ВКУ: ВКУ-610, ВКУ-765 и ВКУ-965.
Эти редукторы разработаны с учетом специфических требований кранового оборудования и обладают рядом преимуществ, которые делают их незаменимыми в самых ответственных задачах:
ВКУ-610, ВКУ-765, ВКУ-965 – это не просто комплектующие, а залог стабильной и безопасной работы вашего кранового оборудования. Они станут надежным звеном в вашей производственной цепочке, обеспечивая бесперебойное выполнение самых сложных задач.
Если вам требуется качественное и проверенное решение для модернизации или ремонта крановых механизмов, редукторы серии ВКУ станут отличным выбором