Редукторы
Мотор редукторы
Частотные преобразователи
Промышленные вентиляторы
Электротали
Крановые электродвигатели
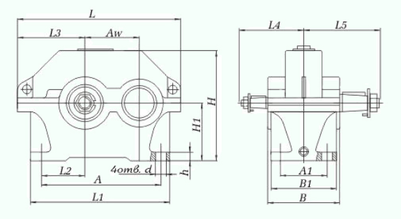
РЕДУКТОРЫ ОДНОСТУПЕНЧАТЫЕ ЦИЛИНДРИЧЕСКИЕ ГОРИЗОНТАЛЬНЫЕ 1 ЦУ-100, 1 ЦУ-160, 1 ЦУ-200, 1 ЦУ-250
Редукторы цилиндрические одноступенчатые горизонтальные типоразмеров 1 ЦУ-100, 1 ЦУ-160, 1 ЦУ-200, 1 ЦУ-250 предназначены для применения в приводах различных машин и механизмов для изменения крутящих моментов и частоты вращения, могут поставляться на экспорт как отдельно, так и в качестве комплектующих изделий в составе машин и механизмов. Сертифицированы на соответствие требованиям ГОСТ Р 31592-2012.

|
Типоразмер редуктора |
Aw |
A |
A 1 |
B |
B 1 |
H |
H 1 |
h |
L |
L 1 |
L 2 |
L 3 |
L 4 |
L 5 |
d |
|---|---|---|---|---|---|---|---|---|---|---|---|---|---|---|---|
|
Редуктор 1ЦУ-100 |
100 |
224 |
95 |
140 |
132 |
224 |
112 |
22 |
315 |
256 |
85 |
132 |
136 |
155 |
15 |
|
Редуктор 1ЦУ-160 |
160 |
355 |
125 |
185 |
175 |
335 |
170 |
28 |
475 |
405 |
136 |
195 |
218 |
218 |
24 |
|
Редуктор 1ЦУ-200 |
200 |
437 |
165 |
212 |
200 |
425 |
212 |
36 |
670 |
580 |
165 |
236 |
230 |
265 |
24 |
|
Редуктор 1ЦУ-250 |
250 |
545 |
185 |
265 |
250 |
530 |
265 |
40 |
710 |
615 |
212 |
290 |
280 |
315 |
28 |

| Типоразмер | Быстроходный вал | Тихоходный вал | ||||||||||
| d | d1 | l | l1 | b | t | d | d1 | l | l1 | b | t | |
| ЦУ-100 | 25 | М16*1,5 | 60 | 42 | 5 | 13,45 | 35 | М20*1,5 | 80 | 58 | 6 | 18,551 |
| ЦУ-160 | 45 | М30*2 | 110 | 82 | 12 | 23,45 | 55 | М36*3,0 | 110 | 82 | 14 | 28,95 |
| ЦУ-200 | 55 | М36*3,0 | 110 | 82 | 14 | 28,95 | 70 | М48*3,0 | 140 | 105 | 18 | 36,38 |
| ЦУ-250 | 70 | М48*3,0 | 140 | 105 | 18 | 36,37 | 90 | М64*4,0 | 170 | 130 | 22 | 46,75 |

| Типоразмер | Быстроходный вал | Тихоходный вал | ||||||
| d4 | l4 | b2 | t2 | d5 | l5 | b3 | t3 | |
| ЦУ-100 | 22 | 42 | 6 | 24.5 | 30 | 58 | 6 | 32 |
| ЦУ-160 | 40 | 82 | 12 | 43 | 50 | 82 | 14 | 53.5 |
| ЦУ-200 | 50 | 82 | 14 | 53.5 | 65 | 105 | 18 | 71 |
| ЦУ-250 | 65 | 105 | 18 | 71 | 85 | 130 | 122 | 90 |
Редукторы ЦУ-100, ЦУ-160, ЦУ-200, ЦУ-250 выполняются по вариантам сборки 11. 12, 13, 21. 22, 23, 31. 32, 33 Редукторы допускают их применение в следующих условиях: • Работа длительная до 24 ч. в сутки или с периодическими остановками; • Работа в непрерывном и повторно-кратковременном режимах, т. е. при переменных нагрузках с периодическими остановками, нагрузка одного направления и реверсивная: • Вращение валов в любую сторону; • Неагрессивная среда, атмосфера типов I и 11 по ГОСТ 15150 при запыленности воздуха не более 10 мг/м3 , климатические исполнения - У1. У2. УЗ. УХЛ-4. Т1. Т2, ТЗ и 04 по ГОСТ 15150; • Частота вращения входного вала не должна превышать 1500 об/мин.
Редукторы ЦУ-100, ЦУ-160, ЦУ-200, ЦУ-250: Надежные решения для ваших механизмов
Если вы ищете надежные и эффективные редукторы для различных промышленных применений, обратите внимание на серию ЦУ. Эти цилиндрические редукторы, представленные моделями ЦУ-100, ЦУ-160, ЦУ-200 и ЦУ-250, зарекомендовали себя как проверенные временем решения, способные справляться с серьезными нагрузками и обеспечивать стабильную работу оборудования.
Что такое редукторы серии ЦУ?
Редукторы серии ЦУ – это, по сути, "сердце" многих механизмов, отвечающее за преобразование скорости вращения и крутящего момента. Они берут на себя задачу снизить высокую скорость вращения от электродвигателя до нужной, более низкой скорости, одновременно увеличивая при этом крутящий момент. Это позволяет использовать более компактные и энергоэффективные двигатели, а также обеспечивает необходимую мощность для выполнения рабочих операций.
Основные преимущества редукторов ЦУ:
Модельный ряд: ЦУ-100, ЦУ-160, ЦУ-200, ЦУ-250
Каждая модель в этой серии отличается своими габаритами и, соответственно, способностью передавать определенный диапазон мощности и крутящего момента.
Выбор редуктора ЦУ:
При выборе конкретной модели редуктора из серии ЦУ важно учитывать следующие факторы:
В заключение:
Редукторы ЦУ-100, ЦУ-160, ЦУ-200 и ЦУ-250 – это проверенные временем, надежные и эффективные компоненты для широкого спектра промышленных задач. Они помогут вам оптимизировать работу вашего оборудования, повысить его производительность и обеспечить долговечность. Если вам требуется надежное решение для преобразования скорости и крутящего момента, редукторы серии ЦУ станут отличным выбором.